TA2020を使用したデジタルパワーアンプ
2012.10.26
■インターネットを視ていたら、TRYPATH社のTA2020を使用したデジタルパワーアンプの作成記事がたくさん出ている。
しかも音がよいらしい。
キットで4〜5千円と安いが、キットでもあるまいと思い、ICをヤフオクで落札して、あり合わせの部品を活用して作ってみた。
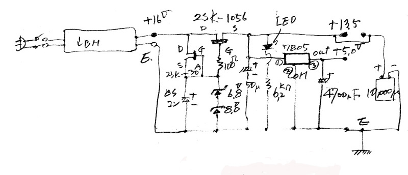
■回路図
回路はデータシートの回路図を参考にして、部品の在庫との案配で下記とした
出力段のLCローパスフィルターは、12dB/oct(-6dB)RL=8Ω、fc=50,000HzでL=47μH、C=0.37μF(実際は0.33μF)とした。
しかし結果的には、20,000Hzで-3dBとなった。
+5V電源は30ピンの5VGENを使わずに外部電源とした。

■電源の作成
パソコンのIBM ThinkPadの外部電源(16V4A)が余っていたのでこれを活用。
簡単に定電圧電源回路で+14Vと+5Vを供給する回路を組み立てた。下図

■TA2020の実装と基板
TA2020のピン配置は、0.1インチの千鳥配置なので、秋月電子で販売している1.27mmピッチの基板を購入して実装した。
| 基板の背面 表実装だけでは配置できず裏面にも部品 を取り付けた。 1,27mmピッチの穴は、さすがに小さく、 老眼鏡に虫めがねを追加して何とかハ ンダ付けをした。 基板の穴サイズがφ0.7mmなので部品 によってはリード線が入らないので拡張。 左サイドが奇数ピン、右サイドが偶数ピ ンになる。 デジタルアース線とアナログアース線を別 々に配線し出口でまとめてシャ−シーアー スへ落とした。 |
![]() |
| 基板の上面 市販のキットではICの片側 だけに部品を配置してあるが ピンの配置が奇数ピンと 偶数ピンが反対側配置なので それぞれのサイドに配置した。 ヒートシンクは不用らしいが、 気休めに銅板を取り付けた。 部品数が多いので苦労する。 |
![]() |
| 組み立て全景 IBM ThinkPadの電源に 定電圧電源回路を繋いで TA2020基板に供給。 シャ−シー(25×15×5cm)は あり合わせの使い済み品。 |
![]() |
■結果
| f特 RL=8Ω1watt |
周波数 | Rch | Lch | 備考 | ![]() |
|
| 20 | 0 | 0 | ||||
| 200 | 0 | 0 | ||||
| 2000 | 0 | 0 | ||||
| 10000 | -0.98 | -0.47 | ||||
| 20000 | -4.86 | -3.14 | ||||
| 40000 | -11.1 | -8.94 | ||||
| 最大出力(RL=8Ω) | 2000 | 7.5Vrms | 7.5Vrms | 上下クリップ | ||
| 残留ノイズ | 19mV | 31mV | 約800KHz | ![]() |
![]() |
|
| ゲイン | 9.5倍 | 11倍 | ||||
| AC消費 | 0.01〜0.02A(アイドリング時) | |||||
| サイン波 2.8Vrms(RL=8Ω) |
1000Hz | ![]() |
![]() |
|||
■感想
@部品数が多い。
Af特で20KHzで3dB落ちは出力段のローパスフィルターの自定数の選択誤りで、データシートの回路通りインダクターは10μHとすべきだった。
B残留ノイズが多いが周波数が800kHzと高いために耳には無音なので不快感はない。
Cアイドリング時の消費電力がゼロに等しく発熱は皆無なので、点けっぱなしでもよいかも。
D音質はアナログパワーICLM3886使用のアンプと有意差なしでベットサイドで使ってみよう。
E出力端はアースしてはダメ。出力が出ない。